Arbeitsbühnen Palfinger und Ruthmann
für nähere Informationen rufen Sie uns an unter 02154 - 894 59 17
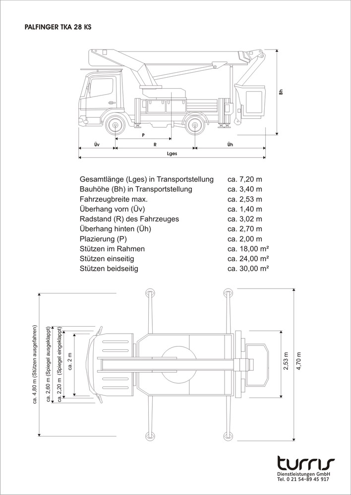
Palfinger |
||
![]() |
Hier finden Sie das Arbeitsbereichdiagramm als Hier finden Sie die technischen Daten als |
|
![]() |
||
Ruthmann |
||
![]() |
Hier finden Sie das Arbeitsbereichdiagramm Hier finden Sie die technischen Daten |
|
![]() |
||





